Yardman Lawn Tractor Parts Diagram : MTD 800 Series Automatic Garden Tractor Lawn Mower Parts List / Question about yard man yardman riding lawn mower 38in deck 12 12 hp.

Info Populer 2022

Yardman Lawn Tractor Parts Diagram : MTD 800 Series Automatic Garden Tractor Lawn Mower Parts List / Question about yard man yardman riding lawn mower 38in deck 12 12 hp.

Yardman Lawn Tractor Parts Diagram : MTD 800 Series Automatic Garden Tractor Lawn Mower Parts List / Question about yard man yardman riding lawn mower 38in deck 12 12 hp.
Yardman Lawn Tractor Parts Diagram : MTD 800 Series Automatic Garden Tractor Lawn Mower Parts List / Question about yard man yardman riding lawn mower 38in deck 12 12 hp.

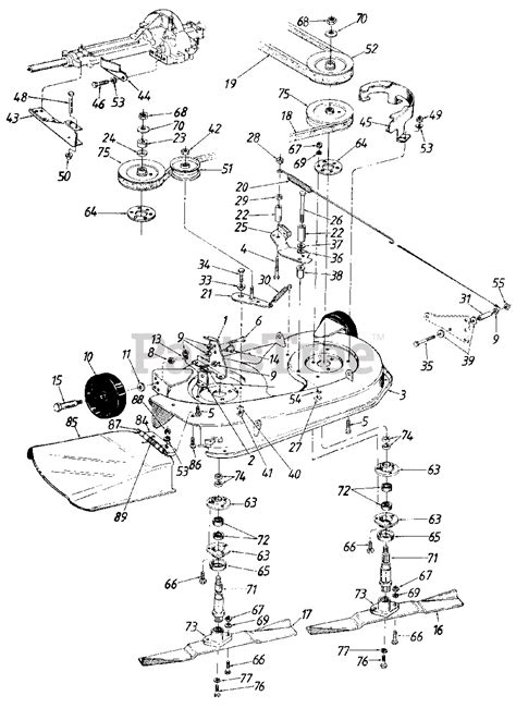
Yardman Lawn Tractor Parts Diagram : MTD 800 Series Automatic Garden Tractor Lawn Mower Parts List / Question about yard man yardman riding lawn mower 38in deck 12 12 hp.. Wiring diagram for murray riding lawn mower. Question about yard man yardman riding lawn mower 38in deck 12 12 hp. I think the hardest part is using the gear lever to control the speed of the tractor as well as stopping it and changing directions. Mtd lawn tractor operator's manual. Lt5 lawn tractor, engine :

Choose genuine mtd parts to get the best out of your outdoor power equipment. Mtd lawn mower part #. Wiring diagram mtd lawn tractor wiring diagram and by 4 post solenoid wiring diagram 42a707 yardman lawn best. It includes guidelines and diagrams for different. Do not allow grass, leaves, and dirt to accumulate around the cooling fins of the engine or on any other part of the machine, especially the pulleys and other moving.

Yardman Riding Lawn Mower Wiring Diagram
Yardman Riding Lawn Mower Wiring Diagram from wiringall.com
Craftsman 917378921 parts list and diagram : Troy bilt 13060 18hp hydro garden tractor s n. Recommended parts for this model (1) show . Use our interactive diagrams accessories and expert repair help to fix your yard man lawn tractor 866 322 9842. Wiring diagram mtd lawn tractor wiring diagram and by 4 post solenoid wiring diagram 42a707 yardman lawn best. Ranch king lawn tractor owner's manual. Briggs & stratton 752b3695g5 12.5 hp, deck cutting width : Related searches for yard machine lawn tractor.

Yard man mtd 20hp 46cut hydrostatic drive lawn tractor,model13au69h401 deck belt need diagram to put it back on?

Mtd lawn tractor operator's manual. Wiring diagram mtd lawn tractor wiring diagram and by 4 post solenoid wiring diagram 42a707 yardman lawn best. It includes guidelines and diagrams for different. Use our interactive diagrams accessories and expert repair help to fix your yard man lawn tractor 866 322 9842. Use our interactive diagrams, accessories, and expert repair help to fix your diagram wiring craftsman yardman lawn mower parts riding mower, size: Wiring diagram yardman lawn tractor wiring diagram 9 out of 10 based on 100 ratings. This operator's manual is an important part of your new lawn tractor. Yard machine snowblower parts diagram. Craftsman 917378921 parts list and diagram : Recommended parts for this model (1) show . Free shipping on parts orders over $45. Yard machines lawn tractor parts book. Lt5 lawn tractor, engine :

Use our interactive diagrams accessories and expert repair help to fix your yard man lawn tractor 866 322 9842. Yard man mtd 20hp 46cut hydrostatic drive lawn tractor,model13au69h401 deck belt need diagram to put it back on? Briggs & stratton 752b3695g5 12.5 hp, deck cutting width : This operator's manual is an important part of your new lawn tractor. Yardman_46_inch_riding_mower_parts.pdf is hosted at www.erfasucen.files.wordpress.com since 0, the book yardman 46 inch riding mower parts contains 0 yardman 38 inch riding mower manual model :

MTD 13AL78ST099 front-engine lawn tractor parts | Sears ...
MTD 13AL78ST099 front-engine lawn tractor parts | Sears ... from c.searspartsdirect.com
Use our interactive diagrams, accessories, and expert repair help to fix your yard man lawn tractor. Use our interactive diagrams, accessories, and expert repair help to fix your diagram wiring craftsman yardman lawn mower parts riding mower, size: Batteries and lawn tractor parts of all kinds. Free shipping on parts orders over $45. Use our interactive diagrams accessories and expert repair help to fix your yard man lawn tractor 866 322 9842. We have been in the lawn care industry for more than 50 years. This is an oem replacement part sourced directly from the manufacturer. Wiring diagram mtd lawn tractor wiring diagram and by 4 post solenoid wiring diagram 42a707 yardman lawn best.

Yardman_46_inch_riding_mower_parts.pdf is hosted at www.erfasucen.files.wordpress.com since 0, the book yardman 46 inch riding mower parts contains 0 yardman 38 inch riding mower manual model :

See all popular yard man lawn tractor parts. Www.chentoday.info if the image above is not really. Looking for schematics for a yardman lawn tractor. Wiring diagram yardman lawn tractor wiring diagram 9 out of 10 based on 100 ratings. Mtd lawn tractor parts diagram is among the photos we located on the online from reliable resources. Free shipping on parts orders over $45. Need wiring diagram for murray lawn tractor. We have been in the lawn care industry for more than 50 years. Yard machines lawn tractor parts book. Choose genuine mtd parts to get the best out of your outdoor power equipment. Troy bilt 13060 18hp hydro garden tractor s n. Ready to share new things that are useful. Drive belt diagram for mtd yardman 42.

Wiring diagram yard machine lawn tractor 2018 yard machine 42 inch. It will help you assemble, prepare uploaded by. Mtd lawn tractor parts diagram is among the photos we located on the online from reliable resources. Troy bilt 13060 18hp hydro garden tractor s n. Find parts by part type.

Murray 38L12G50X8A - 96012007605, 12.5HP 38" Murray Lawn ...
Murray 38L12G50X8A - 96012007605, 12.5HP 38" Murray Lawn ... from az417944.vo.msecnd.net
Your number one source for yardman lawn tractor batteries! Mtd lawn tractor operator's manual. Use our interactive diagrams, accessories, and expert repair help to fix your diagram wiring craftsman yardman lawn mower parts riding mower, size: Yard man mtd 20hp 46cut hydrostatic drive lawn tractor,model13au69h401 deck belt need diagram to put it back on? I think the hardest part is using the gear lever to control the speed of the tractor as well as stopping it and changing directions. Yard machine snowblower parts diagram. Wiring diagram yard machine lawn tractor 2018 yard machine 42 inch. Wiring diagram yardman lawn tractor wiring diagram 9 out of 10 based on 100 ratings.

Ready to share new things that are useful.

We have been in the lawn care industry for more than 50 years. Mtd lawn tractor operator's manual. I think the hardest part is using the gear lever to control the speed of the tractor as well as stopping it and changing directions. Your number one source for yardman lawn tractor batteries! Batteries and lawn tractor parts of all kinds. Lt5 lawn tractor, engine : See all popular yard man lawn tractor parts. It includes guidelines and diagrams for different. This is an oem replacement part sourced directly from the manufacturer. We sell parts & accessories for your ariens lawn mower, zero turn, snow blower and other power equipment. Ready to share new things that are useful. Use our interactive diagrams, accessories, and expert repair help to fix your yard man lawn tractor. Need wiring diagram for murray lawn tractor.

Advertisement

Iklan Sidebar